軸承分類
手機:(0)13861292888
傳真:(86)0519-87777077
Email:bearing@163.com
QQ:571183
軸承廠最新文章
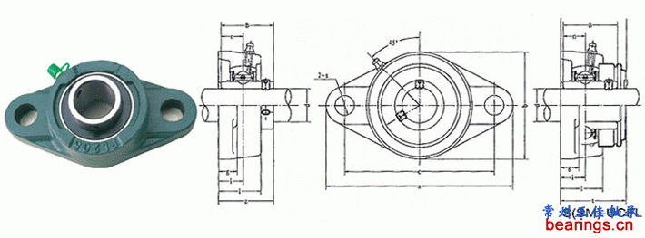
UCFL外球面軸承

UCFL外球面軸承,外觀是菱形,又稱帶菱形座外球面球軸承,飛奇軸承廠提供的UCFL外球面軸承型號有:UCFL201——UCFL218 UCFL305-UCFL318,可訂大大訂外球面軸承。
UCFL外球面軸承型號如下:
| 軸承代號 | 尺寸(mm) | 重量(kg) | |||||||||||
|---|---|---|---|---|---|---|---|---|---|---|---|---|---|
| d | a | e | i | g | l | s | z | t | b | n | |||
| UCFL203 | 17 | 113 | 90 | 15 | 11 | 25.5 | 12 | 33.3 | 37.5 | 31 | 12.7 | 0.43 | |
| UCFL204 | 20 | 113 | 90 | 15 | 11 | 25.5 | 12 | 33.3 | 37.5 | 34.1 | 14.3 | 0.41 | |
| UCFL205 | 25 | 130 | 99 | 16 | 13 | 27 | 16 | 35.8 | 40 | 34.1 | 14.3 | 0.58 | |
| UCFL206 | 30 | 148 | 117 | 18 | 13 | 31 | 16 | 40.2 | 44.5 | 38.1 | 15.9 | 0.86 | |
| UCFL207 | 35 | 161 | 130 | 19 | 14 | 34 | 16 | 44.4 | 48.5 | 42.9 | 17.5 | 1.08 | |
| UCFL208 | 40 | 175 | 144 | 21 | 14 | 36 | 16 | 51.2 | 55.5 | 49.2 | 19 | 1.44 | |
| UCFL209 | 45 | 188 | 148 | 22 | 15 | 38 | 19 | 52.2 | 56.5 | 49.2 | 19 | 1.74 | |
| UCFL210 | 50 | 197 | 157 | 22 | 15 | 40 | 19 | 54.6 | 59.5 | 51.6 | 19 | 2.10 | |
| UCFL211 | 55 | 224 | 184 | 25 | 18 | 43 | 19 | 58.4 | 63 | 55.6 | 22.2 | 2.91 | |
| UCFL212 | 60 | 250 | 202 | 29 | 18 | 48 | 23 | 68.7 | 73.5 | 65.1 | 25.4 | 3.74 | |
| UCFL213 | 65 | 258 | 210 | 30 | 22 | 50 | 23 | 69.7 | 74.5 | 65.1 | 25.4 | 4.57 | |
| UCFL214 | 70 | 265 | 216 | 31 | 22 | 54 | 23 | 75.4 | 74.6 | 30.2 | 5.11 | ||
| UCFL215 | 75 | 275 | 225 | 34 | 22 | 56 | 23 | 78.5 | 77.8 | 33.3 | 5.37 | ||
| UCFL216 | 80 | 290 | 233 | 34 | 22 | 58 | 25 | 83.3 | 82.6 | 33.3 | 7.20 | ||
| UCFL217 | 85 | 305 | 248 | 36 | 24 | 63 | 25 | 87.6 | 85.7 | 34.1 | 8.61 | ||
| UCFL218 | 90 | 320 | 265 | 40 | 24 | 68 | 25 | 96.3 | 96 | 39.7 | 10.51 | ||
上一篇:ucf外球面軸承型號 下一篇:軸承座
相關文章

當前位置: